聯系人: 呂經理
銷售熱線:156-5028-2386
銷售熱線:133-7108-1766
公司傳真:0536-2201118
地址:濰坊市坊子區九龍街道上房村村西
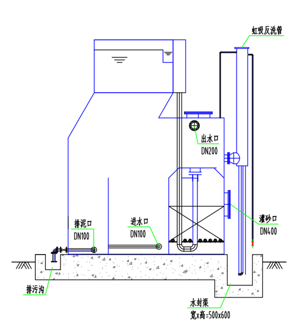
一體化凈水處理設備具有結構緊湊、操作方便、占地面積小等優勢,廣泛應用于生活飲用水、工業用水、農業灌溉等領域。具體的設備結構和處理工藝可以根據原水質量、處理要求和規模來設計和定制。
一、一體化凈水處理設備主要內容有哪些
一體化凈水設備是指將凈水處理所需的各個工序,如預處理、過濾、消毒等,集成在一個設備中完成的一種系統。其主要內容如下:
1. 水泵單元:一體化凈水設備通常包含水泵單元,用于提供水源的供水壓力。
2. 預處理單元:預處理單元主要包括除砂器、除鐵器和除錳器等,用于去除水中的懸浮物、顆粒物、鐵、錳等雜質。
3. 活性炭吸附單元:這個單元中通常包括活性炭濾池,用于去除水中的有機物、異味、色度等。
4. 膜處理單元:膜處理單元是一體化凈水設備中最關鍵的部分,用于通過膜過濾和分離來去除水中的微生物、膠體、懸浮物、重金屬和溶解性鹽等。膜處理單元通常包括超濾膜、反滲透膜等。
5. 紫外線消毒單元:紫外線消毒單元用于對經過膜處理的水進行消毒,滅活水中的病原微生物,確保水的安全性。
6. 配置控制單元:配置控制單元用于控制和監測一體化凈水設備的運行狀態,包括自動控制系統、傳感器、計量儀表等。
7. 儲水和封閉單元:一體化凈水設備通常配備儲水和封閉單元,用于存儲處理后的凈水,提供給用戶使用。

除了以上主要內容,根據實際需要和設計要求,一體化凈水設備還可以包括在線監測、化學投加系統、混合器等其他輔助設備,以滿足特定的凈化要求和處理需求。
二、一體化凈水處理設備是如何調節水質的
一體化凈水設備通過多個工序的組合和運行,以及適當的調節控制,實現對水質的調節和凈化。具體來說,一體化凈水設備可以通過以下方式來調節水質:
1. 預處理工序:一體化凈水設備的預處理工序,如除砂器、除鐵器和除錳器等,可以去除水中的懸浮物、顆粒物、鐵、錳等雜質,從而改善水質。
2. 活性炭吸附工序:一體化凈水設備的活性炭吸附工序通過活性炭濾池等設備,可以去除水中的有機物、異味、色度等污染物,進一步改善水質。
3. 膜處理工序:膜處理是一體化凈水設備中最關鍵的工序,通過超濾膜、反滲透膜等膜的過濾和分離作用,可以有效去除水中的微生物、膠體、懸浮物、重金屬和溶解性鹽等污染物,從而大幅度提高水質。

4. 化學投加工序:一體化凈水設備中,根據實際需要,可以配備化學投加系統,通過投加適量的藥劑,如消毒劑、絮凝劑、調節劑等,來進一步調節水質,去除殘留的微生物、懸浮物和有機物等。
5. 控制系統:一體化凈水設備通常配備自動控制系統和傳感器,可以監測水質的各項參數,如濁度、pH值、溶解氧、電導率等,在需要的時候進行調節和控制。根據設定的控制策略,可以實現自動調節和穩定的水質控制。
總之,一體化凈水設備通過多個工序的協同作用和調節控制,能夠有效地提高水質,將原水處理成滿足要求的凈水。具體的調節方法和控制策略可以根據不同的水質要求和實際情況進行調整和優化。
三、一體化凈水處理設備
一體化凈水設備是將各種凈水處理工序集成在一個設備中的一種系統,它可以同時完成預處理、過濾、消毒等多個處理過程,將原水處理為符合要求的凈水。一體化凈水處理設備通常包括以下主要組成部分:
1. 水泵單元:用于提供原水的供水壓力,將原水提升到后續處理單元。
2. 預處理單元:通過物理或化學方法去除原水中的懸浮物、顆粒物、浮游微生物等,常見的預處理設備包括砂濾器、混凝劑投加系統和絮凝池等。
3. 活性炭吸附單元:使用活性炭濾池去除原水中的有機物、異味、色度等,提升水質。
4. 膜處理單元:包括超濾膜(UF)和反滲透膜(RO)等,通過膜的過濾和分離作用,去除水中的微生物、膠體、懸浮物、重金屬和溶解性鹽等污染物。

5. 消毒單元:通常使用紫外線照射或氯氣注入等方法,對經過膜處理后的水進行消毒,殺滅水中的病原微生物。
6. 控制系統:一體化凈水處理設備通常配備自動控制系統和傳感器,可以實時監測和調節水質的各項參數,如濁度、pH值、溶解氧、電導率等,以確保設備正常運行和穩定的水質輸出。
7. 儲水和輸送單元:處理后的凈水通常通過儲水罐或水箱儲存,并通過管道輸送給用戶使用。
更多關于一體化凈水設備的相關資料,可關注公司網站(www.sdmzjscl.com)!